HYUNDAI TUCSON (NX4E, NX4A) 1.6 CRDi Hybrid 48V:
Stabdžių diskas/trinkelės

Rasta 201 prekės(-ių).

Stabdžių trinkelių rinkinys, diskinis stabdys ATE 13.0460-5564.2

plotis [mm] 145,4
aukštis [mm] 64,4
storis [mm] 17,5
Papildomas straipsnis / informacija 2 su apsaugos nuo girgždėjimo plokšte
susidėvėjimo įspėjimo kontaktas su akustiniu nusidėvėjimo įspėjimu
papildomas gaminys / papildoma informacija su priedais
stabdžių sistema Mobis
patikros žymė E9 90R-02A1279/5656
galimas MAPP kodas
55,85 €
Detaliau

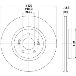
Stabdžių diskas HELLA 8DD 355 134-721

stabdžių disko tipas vidinis ventiliavimas
Išorinis skersmuo [mm] 325
stabdžių disko storis [mm] 30
aukštis [mm] 48,3
minimalus storis [mm] 28
paviršius padengta
vidinis skersmuo [mm] 160
angos apskritimo skersmuo [mm] 114,3
centravimo skersmuo [mm] 69
angų išdėstymas / skaičius 05/07
Rato kaiščio angos skersmuo [mm] 12,6
Papildomas straipsnis / informacija 2 be rato stebulės
Papildomas straipsnis / informacija 2 be rato guolio
Papildomas straipsnis / informacija 2 be rato tvirtinimo smeigių
Svoris [kg] 9,6
Kvalifikuoti darbuotojai turi atlikti montavimą/išmontavimą
64,15 €
Detaliau

Stabdžių trinkelių rinkinys, diskinis stabdys BREMBO P 30 139

plotis [mm] 102
storis [mm] 17
aukštis [mm] 44
susidėvėjimo įspėjimo kontaktas su akustiniu nusidėvėjimo įspėjimu
papildomas gaminys / papildoma informacija su priedais
stabdžių sistema ZF
Papildomas straipsnis / informacija 2 su stūmoklio spaustuku
Papildomas straipsnis / informacija 2 su apsaugos nuo girgždėjimo plokšte
Nusidėvėjimo indikatorių skaičius [ašiai] 2
WVA numeris 26487
WVA numeris 26488
WVA numeris 26489
54,95 €
Detaliau

Stabdžių diskas BREMBO 09.D965.11

stabdžių disko tipas vidinis ventiliavimas
stabdžių disko storis [mm] 30
angų skaičius 5
Papildomas straipsnis / informacija 2 su varžtais
aukštis [mm] 48,3
centravimo skersmuo [mm] 67
Išorinis skersmuo [mm] 325
užbaigimas pastiprinta anglis
paviršius padengta
minimalus storis [mm] 28
58,80 €
Detaliau

Stabdžių diskas BLUE PRINT ADBP430151

stabdžių disko storis [mm] 30
žiedų angų skaičius 5
montavimo angų skaičius 2
storis [mm] 48
Išorinis skersmuo [mm] 325
angos apskritimo skersmuo [mm] 114
paviršius padengta
stabdžių disko tipas vidinis ventiliavimas
montavimo vieta priekinė ašis
minimalus storis [mm] 28
centravimo skersmuo [mm] 69
Svoris [kg] 9,5
stebėti paslaugos informaciją
44,45 €
Detaliau

Stabdžių trinkelių rinkinys, diskinis stabdys DELPHI LP3740

patikros žymė E9 90R-02A0823/5764
stabdžių sistema ZF
Papildomas straipsnis / informacija 2 su apsaugos nuo girgždėjimo plokšte
papildomas gaminys / papildoma informacija be priedų
WVA numeris 26487
WVA numeris 26488
WVA numeris 26489
frikcinės trinkelės medžiaga šviesios sidabrinės spalvos
susidėvėjimo įspėjimo kontaktas su akustiniu nusidėvėjimo įspėjimu
1 plotis [mm] 102,2
2 plotis [mm] 102,2
aukštis 1 [mm] 44,3
aukštis 2 [mm] 44,3
storis 1 [mm] 17,5
storis 2 [mm] 17,5
60,85 €
Detaliau

Stabdžių trinkelių rinkinys, diskinis stabdys DELPHI LP3741

FMSI kodas D2398-9626
patikros žymė E9 90R-02A0823/5656
stabdžių sistema Mobis
Papildomas straipsnis / informacija 2 su apsaugos nuo girgždėjimo plokšte
papildomas gaminys / papildoma informacija be priedų
WVA numeris 26493
frikcinės trinkelės medžiaga šviesios sidabrinės spalvos
susidėvėjimo įspėjimo kontaktas su akustiniu nusidėvėjimo įspėjimu
1 plotis [mm] 145,7
2 plotis [mm] 145,7
aukštis 1 [mm] 64,2
aukštis 2 [mm] 64,2
storis 1 [mm] 17,8
storis 2 [mm] 18,2
33,55 €
Detaliau

Stabdžių trinkelių rinkinys, diskinis stabdys ATE 13.0470-5564.2

plotis [mm] 145,4
aukštis [mm] 64,4
storis [mm] 17,5
Papildomas straipsnis / informacija 2 su apsaugos nuo girgždėjimo plokšte
susidėvėjimo įspėjimo kontaktas su akustiniu nusidėvėjimo įspėjimu
papildomas gaminys / papildoma informacija su priedais
stabdžių sistema Mobis
patikros žymė E9 90R-02A1396/5656
galimas MAPP kodas
Leidžiama iki transporto priemonės galios [kW] 225
75,95 €
Detaliau

Stabdžių trinkelių rinkinys, diskinis stabdys BREMBO P 30 140

plotis [mm] 146
storis [mm] 18
aukštis [mm] 64
susidėvėjimo įspėjimo kontaktas su akustiniu nusidėvėjimo įspėjimu
papildomas gaminys / papildoma informacija su priedais
Papildomas straipsnis / informacija 2 su stūmoklio spaustuku
Papildomas straipsnis / informacija 2 su apsaugos nuo girgždėjimo plokšte
Nusidėvėjimo indikatorių skaičius [ašiai] 2
WVA numeris 26493
WVA numeris 26494
WVA numeris 26495
50,45 €
Detaliau

Stabdžių diskas TEXTAR 92337103

stabdžių disko tipas vidinis ventiliavimas
Išorinis skersmuo [mm] 325
stabdžių disko storis [mm] 30
aukštis [mm] 48,3
minimalus storis [mm] 28
paviršius padengta
vidinis skersmuo [mm] 160
angos apskritimo skersmuo [mm] 114,3
centravimo skersmuo [mm] 69
angų išdėstymas / skaičius 05/07
Rato kaiščio angos skersmuo [mm] 12,6
Papildomas straipsnis / informacija 2 be rato stebulės
Papildomas straipsnis / informacija 2 be rato guolio
Papildomas straipsnis / informacija 2 be rato tvirtinimo smeigių
pakuotės ilgis [cm] 34,3
pakuotės plotis [cm] 34,3
pakuotės aukštis [cm] 7,5
Svoris [kg] 9,6
58,90 €
Detaliau

Stabdžių trinkelių rinkinys, diskinis stabdys ATE 13.0470-2669.2

plotis [mm] 101,8
aukštis 1 [mm] 44,3
storis [mm] 17,5
susidėvėjimo įspėjimo kontaktas su akustiniu nusidėvėjimo įspėjimu
papildomas gaminys / papildoma informacija su priedais
stabdžių sistema ZF
patikros žymė E9 90R-02A1242/5764
galimas MAPP kodas
Leidžiama iki transporto priemonės galios [kW] 225
68,15 €
Detaliau
Kraunama...