Stabdžių diskas MINTEX MDC2776C

Prekės ženklas
Kodas
MDC2776C
Nėra sandėlyje
Jei Jūs abejojate ar pasirinkta prekė tinkama Jūsų automobiliui prašom kreiptis į parduotuvės konsultantą
Kaina:
Klausti

Minimalus šios prekės užsakymo kiekis yra 2.

Pridėti prie norų sąrašo:
Specifikacija
stabdžių disko tipas vidinis ventiliavimas
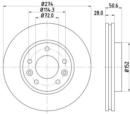
Išorinis skersmuo [mm] 274
stabdžių disko storis [mm] 28
aukštis [mm] 50,6
minimalus storis [mm] 26
paviršius padengta
vidinis skersmuo [mm] 140,4
angos apskritimo skersmuo [mm] 114,3
centravimo skersmuo [mm] 72
angų išdėstymas / skaičius 05/07
Rato kaiščio angos skersmuo [mm] 13
Papildomas straipsnis / informacija 2 be rato stebulės
Papildomas straipsnis / informacija 2 be rato guolio
Papildomas straipsnis / informacija 2 be rato tvirtinimo smeigių
pakuotės ilgis [cm] 30,8
pakuotės plotis [cm] 30,8
pakuotės aukštis [cm] 12,7
Svoris [kg] 7,5
Kraunama...